Product Detail
Product Tags
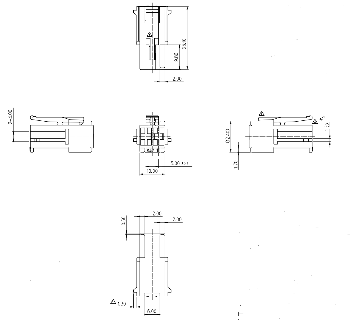
General Feature
- Series 250 SERIES
- Material Type PA66
- Dimensions 25.1*10.0*12.5
Physical Feature
- Number of Poles 2
- Pitch(mm) 5
- Color Natural
- Sealed NO
- Mating Rear Holder MG633658-1
- Mating Terminal ST730948-3, ST730993-3, ST731329-3, ST731393-3m
- Operating Temperature -40℃ ~ 105℃
- GWIT 750
- Mating Tab Width(in) .250
- Flame Rating V0
Electrical Feature
- Terminal Transmits(A) 12
- Rated Voltage 300v,(ac/dc)

Previous:
YLR-02V
Next:
7262-002-003