Product Detail
Product Tags
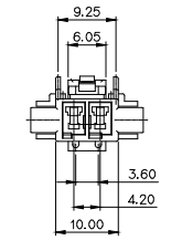
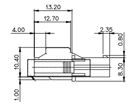
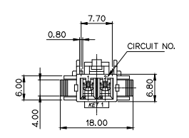
General Feature
- Material Type:PET+PC
- Dimensions:6.8*10.0*26.4
- Number of Poles:2
- Pitch(mm):4.2
- Color:Natural
- Mating Connector:MG614538
- Mating Terminal:ST741084-3, ST741085-3, ST741086-3
- Mating Rear Holder:MG634487-2
- GWIT:GWIT(750˚)
- Operating Temperature:-40℃ ~ 105℃
- Mating Tab Width(in):.060
- Flame Rating:V0
- Terminal Transmits(A):10
- Rated Voltage:300v,(ac/dc)



Previous:
XADRP-18V
Next:
2297438-3